Top Products
ETAP intelligent electrical single line diagram (iSLD) is a multi-layered one-line view of the digital-twin, that includes advanced functionality and awareness of the device's characteristics and system behavior. It is an active blueprint and the foundation of your digital transformation journey.
ETAP’s iSLD is the ultimate user-interface to model, visualize, collaborate, and analyze electrical networks. It is designed to easily display analysis results, real-time system information and estimated data, to automate, validate, and manage AC & DC power network systems. The intelligent single-line diagram visualizes data in any combination of voltage, phase, frequency, measuring unit, and standard for any application and industry.
Quick Links
Transmission Network Single Line Diagram
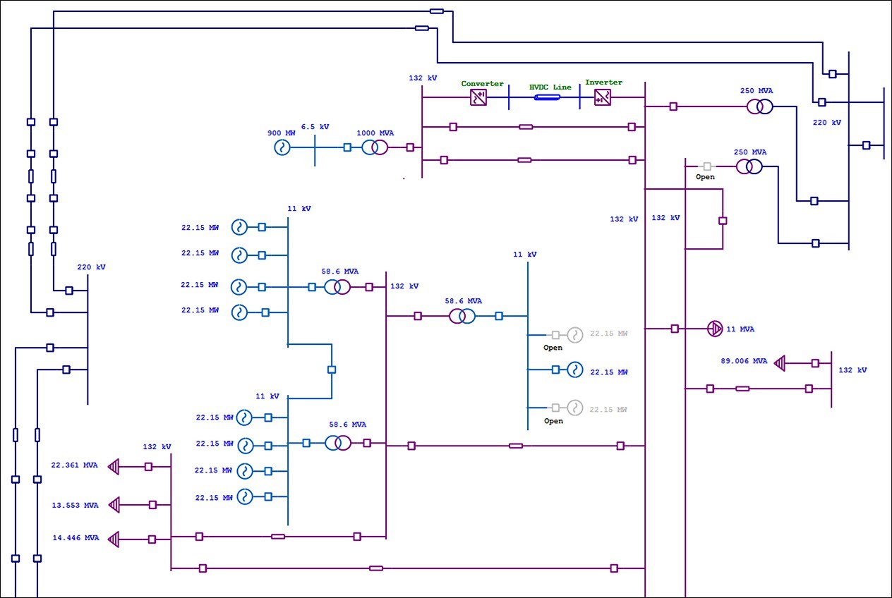
Transmission & Distribution Network Single Line Diagram
Live Plots with Network Single Line Diagram
Railway Traction System One Line Diagram – eTraX
Distribution Network Single Line Diagram with Network Views
Renewable Energy Single Line Diagram
Generation System Single Line Diagram
Substation Interconnection Single Line Diagram
ETAP electrical single-line diagram integrates with all ETAP system views leveraging the ETAP Multi-Dimensional Digital Twin foundation enabling cross-domain functionality. ETAP electrical one-line diagram connects to a common data layer, unifying visualization across the entire ETAP digital ecosystem, enabling more accessible and efficient management of changes.
ETAP NetPM™ offers a powerful time-saving solution for information transfer across the entire life cycle of the electrical network. Manage ETAP Electrical Single-Line Diagram in a single Cloud location, supporting real-time and asynchronous operation with team management using NetPM™
Increase accessibility to ETAP projects for data collection and verification with the updated version of etapAPP™, a tablet application made for field engineers.
Unified with Multi-Dimensional Database
Integrated with Digital-Twin views
Access Design & Operate Data & Controllers
Connectivity with Rules & Auto-layout saves time & eliminates guesswork
Maintain Multi-graphical deliverables in one database
Visualize Multi-Results, Data Blocks & Live Plots
Execute "what-if" studies using design, real-time operating, or historical data
Study wizards to execute design & operation scenarios for the past, present, and future system conditions
Real-time collaboration on the same single-line
Visualize & print engineering data
Collect data & synchronize single-line data from the field to your office
Automatically convert single-line data from legacy software and standard formats
Your browser does not support the video tag.
The intelligent One-Line Diagram takes the day-to-day system modeling and design tasks to a new level of speed, ease, and accuracy. With ETAP Single-Line Diagram, users can manage all aspects of their electrical digital twin during design and operations.
Auto-Build is an automated and powerful tool for creating and editing the one-line diagram. The rule-based design of Auto-Build can significantly reduce the time spent on creating a one-line diagram.
Set unlimited themes for individual or multiple single-line diagrams. Themes can be preset or user-configurable, enabling color-coding based on engineering properties and element connections.
Intelligent Data Formatting that may be displayed or hidden based on:
Composite Networks allow users to model and graphically divide the network into multi-nested views all in one project. Composite Motors combine motor control centers (MCC), loads, motors, and protective devices and represent it as a single element. These different views provide a more organized and straightforward appearance. Composite Networks can be nested with unlimited sub-networks, allowing for multiple layers in one project.
Color contouring functionality allows the user to apply a preset or user-configurable color map to the one-line diagram. These maps are color-coded based on voltage or power flow magnitude providing an instant picture of normal and abnormal areas of the electrical or geospatial system, especially for extensive networks.
View device information such as input data and study results in a single Datablock directly on the one-line diagram. Datablocks may be applied from templates or user-customizable. Utilize one or more single-line diagrams to show, hide, arrange, and format according to the targeted information. Extend analysis capabilities with Datablocks by showing properties and results from different studies and within the same one-line diagram.
Dynamic continuity check shows de-energized devices as "semi-transparent" or in a user-preferred manner. Use circuit continuity as a foundation for network topology processing and graphically display the effect of system configuration changes made by the user or automatically through the analysis.
Equipment and reference design templates can be created based on existing models and shared with engineering colleagues within your organization ensures faster electrical design generation. Equipment templates can contain dimensioning and protection information or just basic equipment connectivity. Utilize existing templates provided by ETAP or create your own library to ensure quicker delivery of your projects.
PlotView is an advanced all-in-one solution for graphical report creation and data analysis. PlotView utilizes advanced & high-speed frameworks for charting and graphing. With comprehensive design and intuitive interface, users can maximize work productivity and save time comparing, generating, and maintain high-quality plots for their power system studies.
This webinar will focus on time-saving tips and in the new ETAP 2024 Unified Digital Twin application to streamline your workflows, improve modelling accuracy, and expedite project delivery.
Discover new ways to elevate your ETAP software experience, highlighting the significant enhancements you’ll find in ETAP 2024 and newer releases to boost your productivity. The ETAP PowerRibbon™ has revolutionized ETAP with an intuitive user interface that matches the power and precision of ETAP.