Automated Fault Analysis Software


Automated Fault Analysis Software

ETAP Automated Fault Analysis Software (AFAS)

Automated Fault Analysis Software

Overview

ETAP AFAS revolutionizes electrical fault analysis with its powerful, model-driven approach, leveraging ETAP's Digital Twin technology. Designed for real-time and post-event analysis.

AFAS Key Features

AFAS optimizes operational efficiency by offering: 

  • Automated COMTRADE File Analysis
    • Effortlessly groups related events using precise time alignment. AFAS automatically archives incidents as it receives COMTRADE files, ensuring efficient incident management. 
  • Advanced Fault Detection & Analysis
    • Identifies fault types, location, and severities with multiple single and double-end algorithms. AFAS offers insights into fault magnitudes, impedances, and sequence of operations. 
  • Integrated Fault Analysis and Restoration
    • Operates in conjunction with the ETAP FLISR module to provide simultaneous fault detection, analysis, and restoration strategies for systems with both transmission and distribution components. 
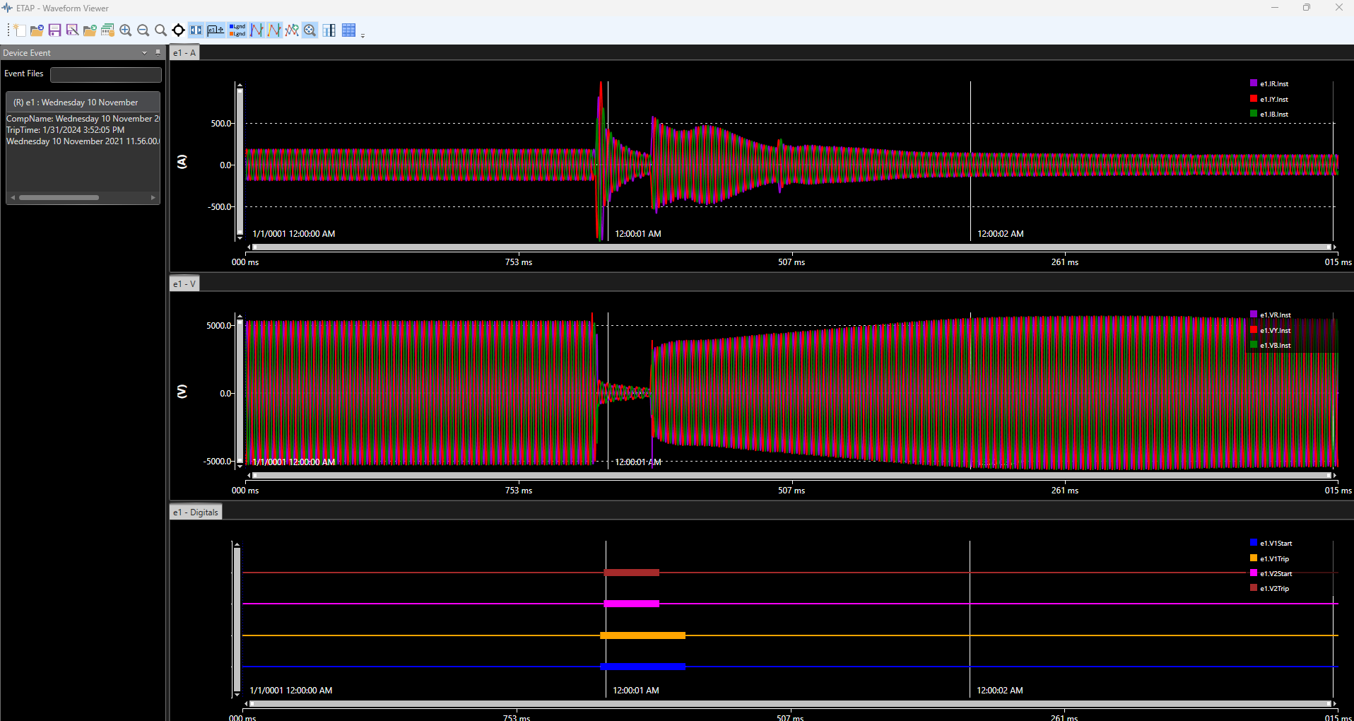
  • Waveform Viewer with High-End Graphics
    • Visualizes system data through an intuitive interface, supporting simultaneous COMTRADE file analysis. Users can explore phasors, RMS, and harmonic values, along with custom signal definitions. 
  • Customizable Configuration
    • Provides users with flexible analysis settings tailored to their unique operational needs to customize state and disturbance classifications, including Load Flow, Fault, Hot, Voltage Dip, Reacceleration, and more. 
  • Model Verification and Signal Injection
    • Utilizes line impedance estimation and signal injection (playback data) to verify model accuracy, ensuring protection schemes operate as intended. 
  • eWeb Application for Result Visualization
    • AFAS results are accessed through the eWeb interface, a secure and user-friendly platform for incident analysis and visualization. The eWeb is accessible via intranet or secure networks, offering flexibility and enhanced data protection. 

AFAS Benefits & Capabilities

  • Experience Seamless Fault Analysis with AFAS
    • Navigate effortlessly through AFAS’s robust capabilities. Our user-friendly interface ensures quick access to critical data, helping you make informed decisions with confidence. Dive into real-world applications with our interactive demonstrations, showcasing AFAS’s adaptability across various industries. Using the proven analysis engines, the AFAS solution provides fault identification by determining the fault type, start time, trip time, fault magnitudes, fault impedances and more. The signal injection features allow users to playback recorded data into the relay model to validate the as-designed versus as-found relay response. The electrical digital twin is used to validate the system response by leveraging the sequence of operations events to ensure that the correct protection scheme was executed within the expected response time.
  • Tailored Solutions for Every Industry
    • Whether you're in utilities, oil & gas, or any other sector, AFAS offers tailored solutions to meet your specific needs. From precise fault severity analysis in distribution systems to customized interlock logic for oil & gas applications, our platform adapts to your industry requirements. AFAS also includes specialized features for managing fault responses in inverter-based resources (IBRs), ensuring optimal performance and reliability across transmission, distribution, and industrial applications.
  • Integration with FLISR for Seamless Fault Analysis and Restoration
    • The integration of AFAS with ETAP’s FLISR module enhances operational efficiency by enabling simultaneous fault analysis and network restoration. This powerful combination allows operators to leverage AFAS’s fault detection capabilities alongside FLISR’s optimal restoration strategies, delivering comprehensive insights for systems with both transmission and distribution components. This dual functionality ensures accurate fault location, optimal restoration planning, and minimal service disruption.
  • Comprehensive Reporting and Visual Analysis
    • AFAS provides detailed reports and visualizations that transform complex data into actionable insights. Our enhanced Waveform Viewer supports advanced analysis, offering tools for RMS, phasor, and harmonic evaluation, ensuring you have the clarity needed to optimize system performance.

Related Products

Explore add-ons and other related products.

View all Products

Related Solutions

Read about solutions where this product is highlighted.

View all Solutions

Related Packages

Find a package bundle that includes this product as part of its collection.

View all Packages

Related Industries

Discover how this product is used in various industries.

View all Industries

Related Systems

Learn the uses for this product within an engineering system.

View all Systems

Testimonials

FAQs

How to Maximize Efficiency in Industrial Operations with ETAP AFAS

In Industrial applications, time is money. Quickly identifying faults and restoring assets is crucial to minimize downtime and costs. The ETAP AFAS (Advanced Fault Analysis Software) leverages disturbance records and telemetry data to locate faults and provide steps to restore assets while the fault is being addressed, increasing the chances of a quick resolution. Furthermore, ETAP AFAS seamlessly integrates several other ETAP software applications such as with the centralized relay management software (eProtect), eSCADA, and Intelligent Load Shedding (iLS) to provide a fully integrated solution for managing your industrial system. With this complete solution, engineers and operators can manage faults efficiently, minimize downtime, and maximize operational efficiency.

Play 23:25

Learn about ETAP Automated Fault Analysis Software

ETAP Automated Fault Analysis System (AFAS) solution provides Real-Time and advanced analytics of electrical faults for your complex networks. Using the ETAP digital twin combined with disturbance records, engineers and operators have a clear forensic picture of any electrical fault in the network. Using proven ETAP analysis solvers, AFAS identifies faults, including fault type, start time, protection trip time, fault magnitudes, and fault distance/impedances. A novel signal injection features allow users to playback recorded data into the protection model to compare "as designed" vs. "as found" relay response. This comparison using ETAP electrical digital twin is used to validate system response per the configured protection scheme, and the sequence of operation was followed within expected time durations.

Play 27:31

Demystifying IBR Fault Response with Parametric Modeling & Analysis

The fault response characteristics of synchronous generators are inherently governed by their physical attributes and construction. In contrast, the fault response traits of Inverter-Based Resources (IBRs) are intricately tied to manufacturer-specific control schemes and settings. This intricacy adds complexity to accurately representing IBR behavior during fault conditions, particularly given the rapid advancements in inverter technology and the diverse control strategies employed by manufacturers.

Play 51:34

Training & Events

ETAP Training

Training & Events

Get an in-depth insight to our electrical engineering software by requesting a training course that suits you.

Discover Now

Explore ETAP Today

Explore ETAP Today

Take a test drive of ETAP free for 30 days to experience for yourself the capabilities
of ETAP solutions. Try out ETAP’s extensive collection of modules and analysis results
on this cloud-based demo platform - anytime and anywhere. Start your online demo today!