Open-Phase Fault

결상 고장

결상 고장

단상&2상 직렬 고장

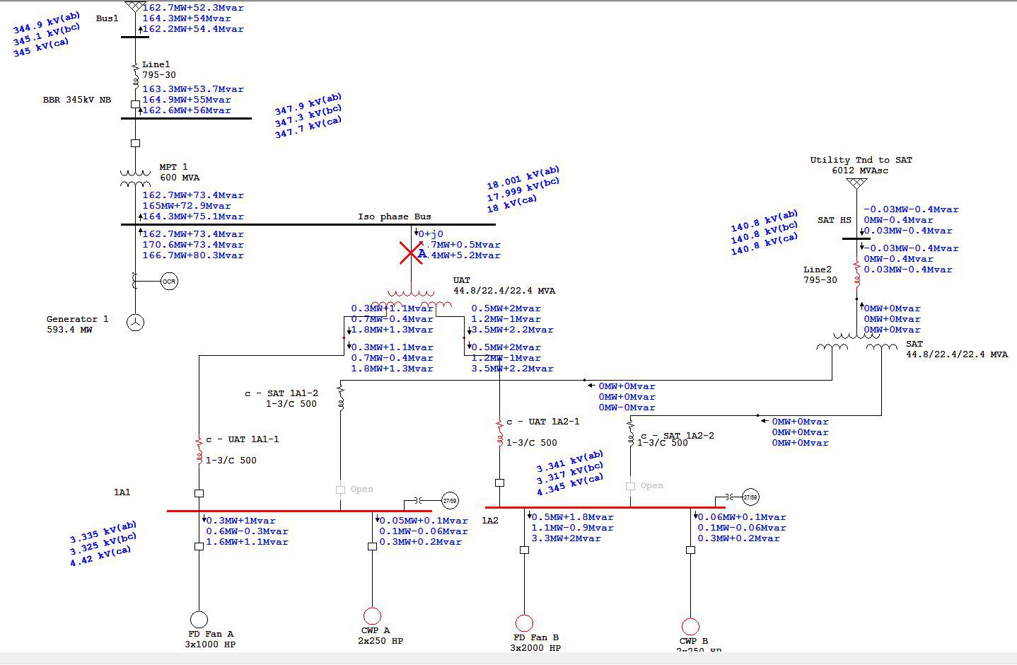
불평형 전력 배전 시스템에서 결상 조건의 영향을 그래픽적으로 적용하고 연구합니다. A, B, C상의 단상 직렬 고장 또는 AB, BC, CA의 2상 직렬 고장을 적용합니다.

초기 과도 현상 없이 정상 상태의 솔루션으로 직렬 고장의 영향을 시뮬레이션합니다. 변압기의 경우 내장된 권선, 무부하 전류 및 손실, 변압기의 유형(코어와 쉘), 영상전류, 변압기 유형, 상호 결합의 영향이 포함됩니다.  

단선도 회로에서 그래픽 배치 위상

2권선 및 3권선 변압기,케이블, 송전선로, 임피던스 및 리엑터를 포함하여 3상 지선의 모든 터미널에 결상 고장(위상 A,B,C)를 쉽게 배치하세요. 

유도 전동기 모델링

유도 전동기 모델링은 역상 전류의 영향을 포함하여 결상 오류로 인한 심각한 불균형 시스템 상태를 처리하도록 향상되었습니다.  

변압기 모델링

구축 유형

이권선 변압기와 삼권선 변압기에서 3,4,5 가장자리의 Shell과 Core을 포함한 다양한 유형의 변압기 모델링할 수 있는 기능이 추가되었습니다. 

자화

무부하 데이터를 기반으로 정상분, 역상분, 영상분 결합에 대한 자화 임피던스가 계산되어 고려됩니다. 

매설 권선

매설 권선의 효과는 이권선 변압기와 삼권선 변압기에 포함됩니다. 

보고

내장된 델타 연결 권선 내부에서 순환하는 영상분 전류가 보고됩니다

확인 및 검증(V&V) 프로세스의 일환으로 결상 모듈의 개발을 선도하기 위해 우리는 수많은 연구를 수행했으며 오프사이트 전원 공급 장치를 포함한 다양한 네트워크에서 개방 위상 조건을 시뮬레이션 하기위한 벤치마크를 생성했습니다.V&V 테스트 케이스는 여러 모델 및 다양한 전기 네트워크 동작을 시뮬레이션하기 위해 만들어졌습니다. 

Videos

Literature

White Papers

교육 및 이벤트

ETAP Training

교육 및 이벤트

귀하에게 맞는 교육 과정을 요청하여 전기 엔지니어링 소프트웨어에 대한 심층적인 통찰력을 얻으세요.

지금 발견하세요

Explore ETAP Today

오늘 ETAP을 경험해보세요.

30일 동안 무료로 ETAP 테스트 드라이브를 통해
ETAP 솔루션의 기능을 직접 경험해보세요. 언제 어디서나
이 클라우드 기반 데모 플랫폼에서 ETAP의 광범위한 모듈 컬렉션과 분석 결과를 사용해 보실 수 있습니다. 오늘 온라인 데모를 시작하세요!